手机飞艇官方直播记录

步进电机·交流/直流/防爆伺服电机

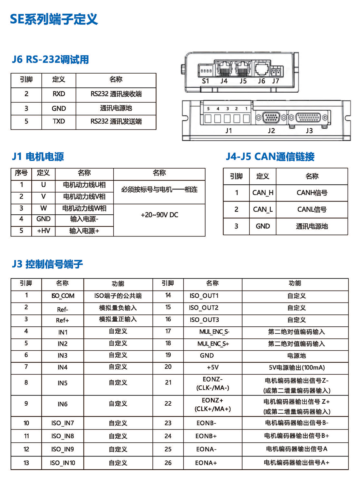
SE直流伺服驱动器

产品介绍:
◆控制模式:位置,速度,转矩;
◆采样频率(时间)电流环: 15KHz ( 66.7us );速度/位置环:3KHz ( 330μs )
◆带宽:电流环一般为2.5kHz ,随参数调整与负载电感有所变化
◆运动模式:电子齿轮,电子凸轮,比例联动,点到点;
◆可编程保护:位置误差,过流,过压或欠压, 12t ,输出短路过载等多方位保护功能;
◆驱动电机类型:三相步进电机、无刷电机、有刷电机、直线电机、音圈电机等;
◆位置反馈:增量式编码器、霍尔、光栅尺,模拟量正余弦( Sin/Cos )编码器、旋转变
压器(外加转换卡);
◆脉冲响应频率可达2MHz ,具有数字滤波功能;
◆RS232串行接口,波特率可达115KB ;
◆CAN2.0局域总线,兼容CANopen DS 402 ,波特率高1MHz ;
◆电源电压: 18-90( 135/180) VDC;
 
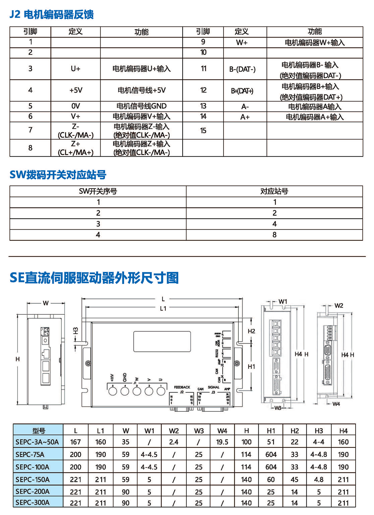
技术参数及标准尺寸:






手机飞艇官方直播记录