手机飞艇官方直播记录

精密型减速机

DG精密中空旋转平台

产品特点:
高性能,用途广,高刚性,高效率,低噪音,低背隙

产品介绍:
●直接连接
简易设计提升信赖
 
●容易进行原点还原
使用原点传感器套件(选购配件),可轻易地安装与实现原点还原

●大口径中空旋转式传动装置
简洁的配线与配管

 

●定位精准度高
反复定位精度为±15sec空转(Lost motion)为2min,角度传达误差为 4min
 
 
●短时间定位
可在短时间内,实现惯性负载的定位 !
 
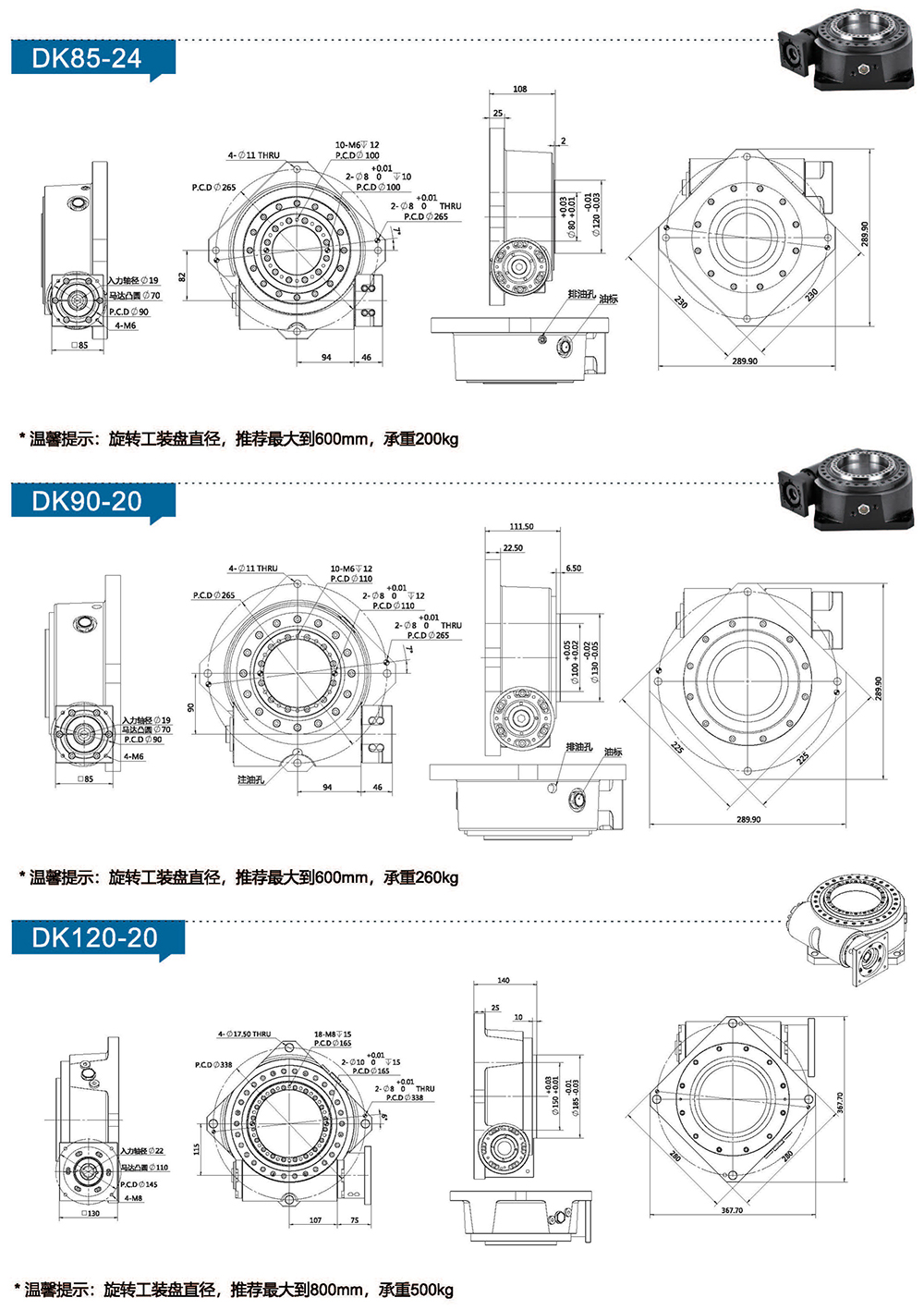
技术参数及标准尺寸:













手机飞艇官方直播记录